鋁型材配件
Product accessories
Product accessories
聯系APAS / Contact us
- 地址:天津市西青經濟技術開發區賽達國際工業城A3-2.
- 郵箱:lxc@apas.com.cn
- 電話:022-87920088
- 傳真:請聯系網絡管理員
- 郵編:300385
- 咨詢熱線:13702119190(24小時服務熱線)
鋁型材緊固配件 / Aluminum profile fittings
產品名稱 / Name
半圓頭螺栓
產品描述 / Describe
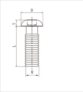
半圓頭螺栓主要適用于鋁型材框架內部連接方式,組裝前需要根據技術需求對工業鋁型材進行工藝孔加工處理,可實現快速組裝;半圓頭螺栓是鋁型材框架加工組裝較為常用的緊固連接配件。
022-87920088
可以根據需求進行設計加工,提供上門安裝服務;可以根據特殊需求進行鋁型材開模定制。
* 免費提供工業鋁型材選型手冊 →點擊咨詢
|
|
![]() ![]()
|
|
(工業鋁型材半圓頭緊固螺栓二維參數)
|
| ? |
|
產品名稱
|
螺紋
|
L(mm)
|
D(mm)
|
T(mm)
|
材質
|
訂貨編號
|
|
半圓頭螺栓
|
M6
|
10
|
φ10.5
|
4
|
碳鋼(鍍鋅)/不銹鋼
|
CE-JB6×10
|
|
半圓頭螺栓
|
M6
|
14
|
φ10.5
|
4
|
碳鋼(鍍鋅)/不銹鋼
|
CE-JB6×14
|
|
半圓頭螺栓
|
M6
|
16
|
φ10.5
|
4
|
碳鋼(鍍鋅)/不銹鋼
|
CE-JB6×16
|
|
半圓頭螺栓
|
M6
|
20
|
φ10.5
|
4
|
碳鋼(鍍鋅)/不銹鋼
|
CE-JB6×20
|
|
半圓頭螺栓
|
M6
|
30
|
φ10.5
|
4
|
碳鋼(鍍鋅)/不銹鋼
|
CE-JB6×30
|
|
半圓頭螺栓
|
M8
|
12
|
φ14
|
5.5
|
碳鋼(鍍鋅)/不銹鋼
|
CE-JB8×12
|
|
半圓頭螺栓
|
M8
|
16
|
φ14
|
5.5
|
碳鋼(鍍鋅)/不銹鋼
|
CE-JB8×16
|
|
半圓頭螺栓
|
M8
|
18
|
φ14
|
5.5
|
碳鋼(鍍鋅)/不銹鋼
|
CE-JB8×18
|
|
半圓頭螺栓
|
M8
|
20
|
φ14
|
5.5
|
碳鋼(鍍鋅)/不銹鋼
|
CE-JB8×20
|
|
半圓頭螺栓
|
M8
|
25
|
φ14
|
5.5
|
碳鋼(鍍鋅)/不銹鋼
|
CE-JB8×25
|
|
半圓頭螺栓
|
M8
|
30
|
φ14
|
5.5
|
碳鋼(鍍鋅)/不銹鋼
|
CE-JB8×30
|
|
半圓頭螺栓
|
M12
|
30
|
φ19
|
6
|
碳鋼(鍍鋅)/不銹鋼
|
CE-JB12×30
|
|
半圓頭螺栓
|
M14
|
30
|
φ20
|
6
|
碳鋼(鍍鋅)/不銹鋼
|
CE-JB14×30
|
| ? |
|
半圓頭螺栓是鋁型材框架設計組裝常用的緊固連接配件,具有多種規格,可以根據鋁型材規格選用相應規格半圓頭螺栓;組裝框架采用半圓頭螺栓需根據技術需求對鋁型材進行打孔攻絲處理,可實現快框架結構速組裝; |
?
聯系APAS/ Contact us
天津艾普斯工業鋁型材股份有限公司
聯系電話:022-87920088
企業傳真:(避免惡意廣告)請聯系該企業網絡管理員
服務熱線:13702119190 (24小時服務熱線)
Q Q:534973906
企業郵箱: lxc@apas.com.cn
企業地址:天津市西青經濟技術開發區賽達國際工業城A3-2
聯系電話:022-87920088
企業傳真:(避免惡意廣告)請聯系該企業網絡管理員
服務熱線:13702119190 (24小時服務熱線)
Q Q:534973906
企業郵箱: lxc@apas.com.cn
企業地址:天津市西青經濟技術開發區賽達國際工業城A3-2
采購意向留言:* 為必填















QQ咨詢
電話聯系
聯系電話

在線留言
樣冊下載
