鋁型材配件
Product accessories
Product accessories
聯系APAS / Contact us
- 地址:天津市西青經濟技術開發區賽達國際工業城A3-2.
- 郵箱:lxc@apas.com.cn
- 電話:022-87920088
- 傳真:請聯系網絡管理員
- 郵編:300385
- 咨詢熱線:13702119190(24小時服務熱線)
鋁型材配件 / Profile Accessories
產品名稱 / Name
鋁型材封板8080\9090\100100
產品描述 / Describe
該規格工業鋁型材端面封板主要適用于4040(雙槽)、6060(雙槽)、8080、9090、100100等規格工業鋁型材端部截面封閉連接,起防護作用同時還具有一定的裝飾作用,屬于較為常用的鋁型材配件之一;
022-87920088
可以根據需求進行設計加工,提供上門安裝服務;可以根據特殊需求進行鋁型材開模定制。
* 免費提供工業鋁型材選型手冊 →點擊咨詢
|
|
| ? |
| 該規格端面蓋板主要適用于4040(雙槽)、6060(雙槽)、8080、9090、100100等規格工業鋁型材端面封閉連接,只需要將圓柱塞分別置入型材圓孔內,即可完成固定,安裝簡單便捷; |
| ? |
![]() ![]()
|
|
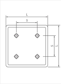
(工業鋁型材端面蓋板【方形4孔】技術參數)
|
| ? |
|
訂貨編號
|
鋁型材規格
|
L(mm)
|
S(mm)
|
H(mm)
|
材質
|
顏色
|
|
CE-EC4040-6
|
40×40-6
|
40
|
20
|
3
|
尼龍
|
黑色/灰色
|
|
CE-EC6060-8
|
60×60-8
|
60
|
30
|
4
|
尼龍
|
黑色/灰色
|
|
CE-EC8080
|
80×80
|
80
|
40
|
4
|
尼龍
|
黑色/灰色
|
|
CE-EC9090
|
90×90
|
90
|
50
|
4
|
尼龍
|
黑色/灰色
|
|
CE-EC100100
|
100×100
|
100
|
45
|
4
|
尼龍
|
黑色/灰色
|
| ? |
|
端面蓋板主要用于相應規格工業鋁型材端部切面的封閉處理,其安全防護作用的同時還具有裝飾作用,端面蓋板可以避免型材鋒利切面劃傷工件或操作人員;端面蓋板顏色分為黑色和灰色,可以根據使用需求進行選擇; |
聯系APAS/ Contact us
天津艾普斯工業鋁型材股份有限公司
聯系電話:022-87920088
企業傳真:(避免惡意廣告)請聯系該企業網絡管理員
服務熱線:13702119190 (24小時服務熱線)
Q Q:534973906
企業郵箱: lxc@apas.com.cn
企業地址:天津市西青經濟技術開發區賽達國際工業城A3-2
聯系電話:022-87920088
企業傳真:(避免惡意廣告)請聯系該企業網絡管理員
服務熱線:13702119190 (24小時服務熱線)
Q Q:534973906
企業郵箱: lxc@apas.com.cn
企業地址:天津市西青經濟技術開發區賽達國際工業城A3-2
采購意向留言:* 為必填















QQ咨詢
電話聯系
聯系電話

在線留言
樣冊下載
