鋁合金線棒
Lean Tube Profile
Lean Tube Profile
聯系APAS / Contact us
- 地址:天津市西青經濟技術開發區賽達國際工業城A3-2.
- 郵箱:lxc@apas.com.cn
- 電話:022-87920088
- 傳真:請聯系網絡管理員
- 郵編:300385
- 咨詢熱線:13702119190(24小時服務熱線)
連接件 / $class.en$
產品名稱 / Name
精益管萬向內漲連接件
產品描述 / Describe
萬向內漲件主要適用于精益管框架任意角度緊固連接,屬于φ28鋁合金精益管型材專用萬向連接件頭,與萬向外扣件應用方式不同,需要將內漲件置入精益管型材一端,然后利用專用緊固螺栓鎖緊,其物理原理利用連接件特殊結構,鎖緊漲緊;
022-87920088
可以根據需求進行設計加工,提供上門安裝服務;可以根據特殊需求進行鋁型材開模定制。
* 免費提供工業鋁型材選型手冊 →點擊咨詢
|
|
![]() ![]()
|
|
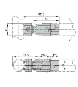
(第三代鋁合金精益管型材萬向內漲連接件二維參數)
|
| ? |
|
產品規格
|
材質
|
重量kg/套
|
訂貨編號
|
|
萬向內漲件
|
鑄鋁/鑄鋅
|
0.11
|
D28-JT-H
|
| ? |
|
萬向內漲件同樣應用于鋁合金精益管框架結構180度任意角度緊固連接,但應用方式各不行同,萬向內漲連接件與第三代鋁合金精益管型材連接需要將連接件置入精益管一端,然后將連接件另一端卡槽與精益管凹槽相連接,利用專用螺栓鎖緊即可; |
?
聯系APAS/ Contact us
天津艾普斯工業鋁型材股份有限公司
聯系電話:022-87920088
企業傳真:(避免惡意廣告)請聯系該企業網絡管理員
服務熱線:13702119190 (24小時服務熱線)
Q Q:534973906
企業郵箱: lxc@apas.com.cn
企業地址:天津市西青經濟技術開發區賽達國際工業城A3-2
聯系電話:022-87920088
企業傳真:(避免惡意廣告)請聯系該企業網絡管理員
服務熱線:13702119190 (24小時服務熱線)
Q Q:534973906
企業郵箱: lxc@apas.com.cn
企業地址:天津市西青經濟技術開發區賽達國際工業城A3-2
采購意向留言:* 為必填















QQ咨詢
電話聯系
聯系電話

在線留言
樣冊下載
