連接件模型
Connector Model
Connector Model
聯系APAS / Contact us
- 地址:天津市西青經濟技術開發區賽達國際工業城A3-2.
- 郵箱:lxc@apas.com.cn
- 電話:022-87920088
- 傳真:請聯系網絡管理員
- 郵編:300385
- 咨詢熱線:13702119190(24小時服務熱線)
連接件模型
/ Connector Model

40系列80*鋁型材角碼3D(數模)模型
產品描述 / Name
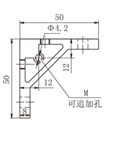
40系列80*鋁型材角碼最大長度為6m,使用前需要預先經過切割、打孔攻絲加工處理,是常用的高強度鋁型材框架直角支撐連接件;
022-87920099
可以根據需求進行設計加工,提供上門安裝服務;可以根據特殊需求進行鋁型材開模定制。
* 免費提供工業鋁型材選型手冊 →點擊咨詢
內容來源:http://www.foursun.com.cn 作者:武將 發布日期:2020年03月19日 10時55分 閱讀次數:4385 次
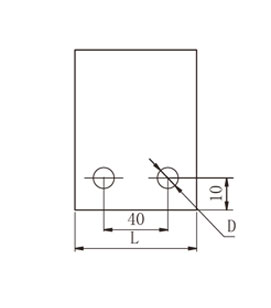
| CE-L5050-4076規格鋁型材角碼主要適用于4080或8080規格鋁型材之間90度直角連接,起到緊固支撐作用,80*規格鋁型材角碼屬于定制型連接配件,產品應用靈活性很強,是較為常用的緊固連接配件之一; |
![]() ![]()
|
| 80*規格鋁型材角碼材質為6063-T5系列延壓鋁型材,物理強度高、韌性強;該角碼規格:寬76mm、高40mm,表面經過陽極氧化處理,抗腐蝕能力強; |
|
鋁型材規格
|
L(mm)
|
D(mm)
|
M
|
材質
|
訂貨編號
|
|
80*
|
76
|
φ8.5
|
M5
|
6063-T5
|
CE-L5050-4076
|
聯系APAS/ Contact us
天津艾普斯工業鋁型材股份有限公司
聯系電話:022-87920088
企業傳真:(避免惡意廣告)請聯系該企業網絡管理員
服務熱線:13702119190 (24小時服務熱線)
Q Q:534973906
企業郵箱: lxc@apas.com.cn
企業地址:天津市西青經濟技術開發區賽達國際工業城A3-2
聯系電話:022-87920088
企業傳真:(避免惡意廣告)請聯系該企業網絡管理員
服務熱線:13702119190 (24小時服務熱線)
Q Q:534973906
企業郵箱: lxc@apas.com.cn
企業地址:天津市西青經濟技術開發區賽達國際工業城A3-2
采購意向留言:* 為必填










.jpg)




QQ咨詢
電話聯系
聯系電話

在線留言
樣冊下載
